Produkter
API backventil
  • API backventilAPI backventil

API backventil

Jinqiu Valve API-backventiler av hög kvalitet uppfyller ASME-, API- och GB-standarderna. Utrustat med avancerade CNC-bearbetningscenter och metallskärningsutrustning, använder företaget CAD/CAM-teknologi i produktdesign och tillverkning, och följer ISO9001-standarderna för att säkerställa precisionen och kvaliteten på dess API-backventildelar.

Jinqiu Valve, en professionell backventiltillverkare i Kina, våra API-backventiler är designade och tillverkade helt enligt amerikanska standarder. Dessa ventiler har en estetiskt tilltalande struktur och avancerad teknik. API backventiler öppnar och stänger automatiskt ventilskivan baserat på själva mediets flöde för att förhindra tillbakaflöde. De är också kända som envägsventiler, backventiler eller backventiler. Deras huvudsakliga funktioner är att förhindra återflöde av mediet, förhindra pump- och drivmotorreversering och förhindra läckage av mediet inuti behållaren.


1. Lågt flödesmotstånd: När API-backventilen är helt öppen är flödesvägen nästan fri, vilket resulterar i ett lågt tryckfall.
2. Snabbstängning och återflödesförebyggande: Ventilskivans spakverkan möjliggör en snabb reaktion och stängning även vid början av återflöde.
3. Brett tillämpbarhet: Lämplig för ett brett spektrum av rördiametrar, från DN50 till DN1200 och uppåt.

Prestandaparametrar

Serienummer projektnamn parameter
1 Nominellt tryck PN (MPa) 150 LB 300 LB 600 LB 900 LB 1500 LB 2500LB
2.0 5.0 10.0 15.0 25.0 42.0
2 Skalstyrka testtryck Nominellt tryck vid rumstemperatur 1,5 gånger
3 Högtryckstätning testtryck Nominellt tryck vid rumstemperatur 1,1 gånger
4 Arbetstryck vid rumstemperatur Tryck på ASME B16.34 tryck- och temperaturklassificering

Produktspecifikationer

designstandarder Strukturens längd Storlek på flänsanslutning Test och besiktning Tryck- och temperaturreferens
API6D/ASME B16.34 ASME B16.10 ASME B16.5 API598/API6D ASME B16.34

Huvuddelens material

Delens namn Materialnamn
Kropp A216 WCB A217 WC6 A351 CF8 A351 CF8M A351 CF3 A351 CF3M
lock A216 WCB A217 WC6 A351 CF8 A351 CF8M A351 CF3 A351 CF3M
Ventilplatta A216 WCB A217 WC6 A351 CF8 A351 CF8M A351 CF3 A351 CF3M
Tätningsyta 13Cr/STL STL Kropp / STL Kropp / STL Kropp / STL Kropp / STL
Ventilaxel A182 F6a A182 F11 A182 F304 A182 F316 A182 F304L A182 F316L
Packning Smidig grafit Smidig grafit Smidig grafit Smidig grafit Smidig grafit Smidig grafit
bult A193 B7 A193 B16 A193 B8 A193 B8M A193 B8 A193 B8M
Mutter A194 2H A194 4 A194 8 A194 8M A194 8 A194 8M
Driftstemperatur -29~425℃ -29~540 ℃ -46~425℃ -46~425℃ -46~425℃ -46~425℃
Lämpliga media ånga ånga Svagt frätande Svagt frätande Svagt frätande Svagt frätande

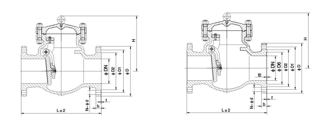
Huvudform och anslutningsmått

Nominell diameter storlek
m i L D D1 D2 b f n-Φd H
H44H-150Lb
50 2 203 152 120.5 92 16 1.6 4-19 180
80 3 241 192 152.5 127 19 1.6 4-19 190
100 4 297 229 190.5 157 24 1.6 8-19 203
125 5 330 254 216 186 24 1.6 8-22 229
150 6 356 279 241.5 216 26 1.6 8-22 257
200 8 495 342 298.5 270 29 1.6 8-22 292
250 10 622 406 362 324 31 1.6 12-25 355
300 12 698 483 432 381 32 1.6 12-25 396
H44H-300Lb
50 2 267 165 127 92 23 1.6 8-19 178
80 3 318 210 168.5 127 29 1.6 8-22 216
100 4 356 254 200 157 32 1.6 8-22 241
125 5 400 279 235 186 35 1.6 8-22 267
150 6 444 318 270 216 37 1.6 12-22 305
200 8 533 381 330 270 42 1.6 12-25 368
250 10 622 445 387 324 48 1.6 16-29 394
300 12 711 521 451 381 51 1.6 16-32 445
H44H-600Lb
50 2 295 165 127 92 33 6.4 8-19 203
80 3 359 210 168 127 36 6.4 8-22 235
100 4 435 273 216 157 45 6.4 8-25 286
125 5 511 330 266.5 186 52 6.4 8-29 292
150 6 562 356 292 216 55 6.4 12-29 330
200 8 664 419 349 270 63 6.4 12-32 381
250 10 791 510 432 324 71 6.4 16-35 457
300 12 842 559 489 381 74 6.4 20-35 584

Strukturbild

Hot Tags: API backventil, Kina, anpassad, kvalitet, hållbar, avancerad, tillverkare, leverantör, fabrik, i lager
Skicka förfrågan
Kontaktinformation
  • Adress

    No.1, North 1st Road, Stainless Steel New Town, Lecong Steel World West Road, Shunde District, Foshan City, Guangdong-provinsen, Kina

För frågor om slussventiler, klotventiler och backventiler eller prislista, vänligen lämna din e-post till oss så hör vi av oss inom 24 timmar.

X
Vi använder cookies för att ge dig en bättre webbupplevelse, analysera webbplatstrafik och anpassa innehåll. Genom att använda denna sida godkänner du vår användning av cookies. Sekretesspolicy
Avvisa Acceptera