Produkter
Flänsad klotventil i rostfritt stål
  • Flänsad klotventil i rostfritt stålFlänsad klotventil i rostfritt stål

Flänsad klotventil i rostfritt stål

De högkvalitativa J41H, J41Y och J41W flänsventilerna i rostfritt stål tillverkade av JQF Valve Factory är öppnings- och stängningskomponenterna i cylindriska ventiler. Tätningsytan är platt eller konisk och ventilen rör sig linjärt längs vätskecentrumlinjen. GB slussventiler är endast lämpliga för helt öppna och helt stängda applikationer och används i allmänhet inte för flödesreglering. Anpassning för reglering och strypning är tillgänglig på begäran.


JQF Valve är en fabrik för tillverkning av ventiler i full process som integrerar vetenskaplig forskning, design, produktion, försäljning och service efter försäljning. Vår högkvalitativa klotventil med fläns i rostfritt stål är en säkerhetsventil speciellt utformad för avstängning av rörledningar av media som ammoniak och naturgas. Den har stabil tätningsprestanda, stark korrosionsbeständighet och enkel användning. Tillverkad av korrosionsbeständiga material som rostfritt stål, är den lämplig för den kemiska industrin, löser problemen med dålig korrosionsbeständighet och lätt läckage av vanliga ventiler. Den kan även användas för att reglera flödet. Vi organiserar vår produktions- och driftledning enligt GB/T19001-2000-ISO9001:2000 kvalitetssystemstandarder, styrda av principen om "tillverkning av högkvalitativa produkter." Vi introducerar kontinuerligt internationellt avancerade produktionslinjer och utrustning, och utvecklar kontinuerligt nya produkter för att möta kundernas behov. Med en blick mot framtiden, låt oss förse dig med omfattande tjänster via internet och interaktiv kommunikation.


1. Strikt materialval säkerställer kvalitet.
2. Den flänsade klotventilen i rostfritt stål är slitstark, korrosionsbeständig, högtrycksbeständig och högtemperaturbeständig, med lång livslängd.
3. Den är flexibel att installera, lätt att demontera och har en bekväm rattrotation.
4. Den flänsade klotventilen i rostfritt stål är vattentät och dammtät, med en rimlig struktur, perfekt design och utmärkt tätningsprestanda.
5. Den flänsade klotventilen i rostfritt stål används huvudsakligen för att kontrollera ammoniak, bränslegas och gasformiga medier som kväve och väte.

Genomförandestandarder

Designspecifikationer: GB / T 12235
Strukturlängd: GB / T 12221
Flänsanslutning: JB / T 79
Provning och besiktning: JB / T 9002
Produktidentifikation: GB / T 12220
Leveransspecifikationer: JB / T 7928

Prestandaparametrar

modell J41H-16C~160C J41Y-16C~160C J41W-16P~160P
Arbetstryck (MPa) 1,6–16,0
rätt temperatur (℃) ≤425 ≤150
Lämpliga media Vatten, ånga, olja Svagt frätande medium
material Kaross, motorhuv Kolstål Krom nickel-titan rostfritt stål
Ventilskaft Krom rostfritt stål Krom nickel-titan rostfritt stål
Tätningsyta Ytläggning av järnbaserade legeringar Hårdbeläggningslegering Kroppsmaterial
fyllmedel Asbestgrafit, flexibel grafit, PTFE

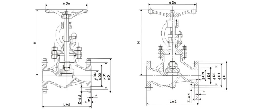
Huvudform och anslutningsmått

Nominell diameter Huvudmått och anslutningsmått
L D D1 D2 b Z-d H D0
J41H-16C
15 130 95 65 45 14-2 4-Φ14 170 120
20 150 105 75 55 14-2 4-Φ14 190 140
25 160 115 85 65 14-2 4-Φ14 205 160
32 180 135 100 78 16-2 4-Φ18 270 180
40 200 145 110 85 16-3 4-Φ18 310 200
50 230 160 125 100 16-3 4-Φ18 358 240
65 290 180 145 120 18-3 4-Φ18 373 240
80 310 195 160 135 20-3 8-Φ18 435 280
100 350 215 180 155 20-3 8-Φ18 500 300
125 400 245 210 185 22-3 8-Φ18 614 320
150 480 280 240 210 24-3 8-Φ23 674 360
200 600 335 295 265 26-3 12-Φ23 811 400
250 650 405 355 320 30-3 12-Φ25 969 450
300 750 460 410 375 30-3 12-Φ25 1145 580
350 850 520 470 435 34-4 16-Φ25 1280 640
400 980 580 525 485 36-4 16-Φ30 1452 640
J41H-25C
15 130 95 65 45 16-2 4-Φ14 170 120
20 150 105 75 55 16-2 4-Φ14 190 140
25 160 115 85 65 16-2 4-Φ14 205 160
32 180 135 100 78 18-2 4-Φ18 270 180
40 200 145 110 85 18-3 4-Φ18 310 200
50 230 160 125 100 20-3 4-Φ18 358 240
65 290 180 145 120 22-3 8-Φ18 373 240
80 310 195 160 135 22-3 8-Φ18 435 280
100 350 230 190 160 24-3 8-Φ23 500 300
125 400 270 220 188 28-3 8-Φ25 614 320
150 480 300 250 218 30-3 8-Φ25 674 360
200 600 360 310 278 34-3 12-Φ25 811 400
250 650 425 370 332 36-3 12-Φ30 969 450
300 750 485 430 390 40-4 16-Φ30 1145 580
350 850 550 490 448 44-4 16-Φ34 1280 640
400 980 610 550 505 48-4 16-Φ34 1452 640

Strukturbild

Hot Tags: Rostfritt stål, flänsad klotventil, Kina, kundanpassad, kvalitet, hållbar, avancerad, tillverkare, leverantör, fabrik, i lager
Skicka förfrågan
Kontaktinformation
  • Adress

    No.1, North 1st Road, Stainless Steel New Town, Lecong Steel World West Road, Shunde District, Foshan City, Guangdong-provinsen, Kina

För frågor om slussventiler, klotventiler och backventiler eller prislista, vänligen lämna din e-post till oss så hör vi av oss inom 24 timmar.

X
Vi använder cookies för att ge dig en bättre webbupplevelse, analysera webbplatstrafik och anpassa innehåll. Genom att använda denna sida godkänner du vår användning av cookies. Sekretesspolicy
Avvisa Acceptera